
| detailed parameters | |||
| model | BUA15-12D2L | Stable voltage output | REGULATED(1-3%) |
| output power | 15W | Short circuit protection | CONTINUOUS |
| input voltage | 9-18VDC | temperature range | -40˚cto85˚c |
| Output voltage | ±12VDC | efficiency | |
| package | DIL,SIL | Is it imported | Y |
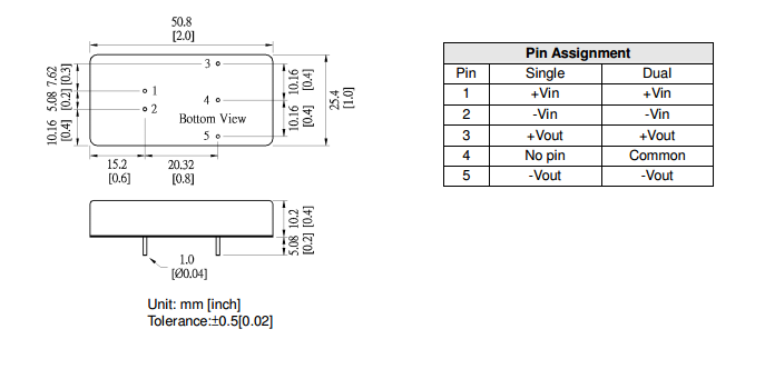
| Package Size | 50.8x25.4x10.2mm | authentication | RoHS,CE |
| maximum output current | ±625 | Grade | High quality |
| Isolation Voltage | 1.5K Vdc VDC | Housing material | Plastics or metal |
| Pin arrangement diagram | view | ||